1. What is the common name for an air flow switch?
2. What type of switch is contained on most flow switches?
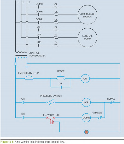
3. Refer to the circuit shown in Figure 15-6. The pressure switch is: a. normally open b. normally closed c. normally open held closed d. normally closed held open

The Correct Answer and Explanation is :
The Correct Answer and Explanation is :